产品详情
VLB15EM mini宽支腿调距叉堆垛移动机器人
产品详情

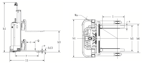
技术规格 Specifications


VLB15EM

额定载荷 Load capacity

Q(kg)

1500

车体自重 Service weight

kg

900

载荷中心距 Load center

c(mm)

375

轴距 Wheelbase

y(mm)

965

车体尺寸 Overall dimensions

l1/b1/h1(mm)

1435/1450/2350

货叉尺寸 Fork dimensions

e/s/l(mm)

40/100/750

货叉外间距 Fork spread

b5(mm)

350-1060

跨支腿内宽 Width between support arm

b6(mm)

1100

低位时货叉高度 Fork height, lowered

h13(mm)

70

提升高度 Lift height

h3(mm)

1000

最小转弯半径 Turning radius

Wa(mm)

1325

行驶速度 Travel speed

m/s

0-1.5

定位精度 Positioning accuracy

mm

±10

电池电压/容量 Battery voltage/capacity

V/Ah

24/210